Наши услуги
Отзывы
Контакты
Авто ключи
Мастерам
Информация о автоключах
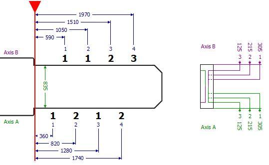
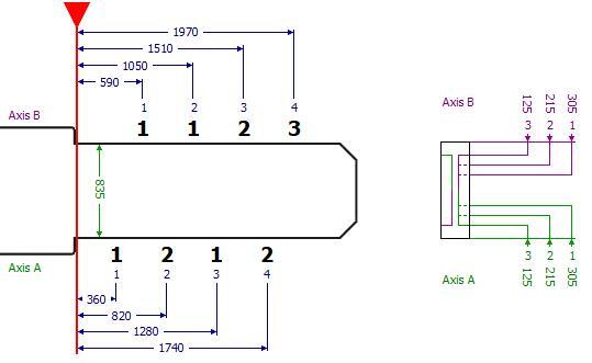
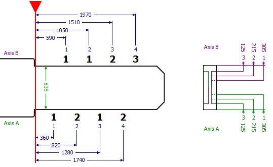
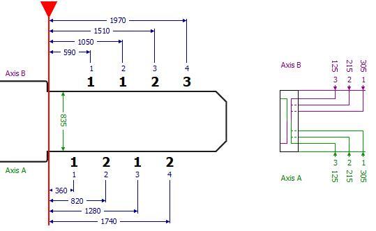
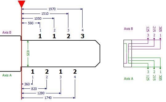
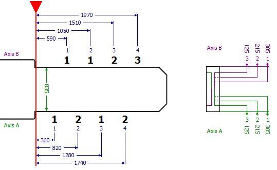
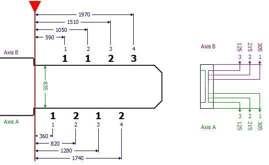
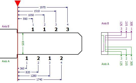
Маркировка лезвий АВТО
Маркировка лезвий МОТО
Прошивки ключей
Работа с IMMO
Работа с ECU
Mask Motorola
Работа с замками
Полезная информация
Личный кабинет
Маркировка мото ключей
BMW
C600 Sport
Профиль: BW9MH / BW9TE
Транспондер: PCF7936
р.
р.
C650 GT
Профиль: BW9MH / BW9TE
Транспондер: PCF7936
р.
р.
F650
Профиль: BW9MH / BW9TE
Транспондер: PCF7936
р.
р.
F650 GS
Профиль: BW9MH / BW9TE
Транспондер: PCF7936
р.
р.
F650 ST
Профиль: BW9MH / BW9TE
Транспондер: PCF7936
р.
р.
F700 GS
Профиль: BW9MH / BW9TE
Транспондер: PCF7936
р.
р.
F800
Профиль: BW9MH / BW9TE
Транспондер: PCF7936
р.
р.
F900
Профиль: BW9MH / BW9TE
Транспондер: PCF7936
р.
р.
F900 GS
Профиль: BW9MH / BW9TE
Транспондер: PCF7936
р.
р.
G310R
Профиль: ZD24RDP
Транспондер: нет
р.
р.
G650GS
Профиль: BW9MH / BW9TE
Транспондер: PCF7936
р.
р.
HP2
Профиль: BW9MH / BW9TE
Транспондер: PCF7936
р.
р.
HP4
Профиль: BW9MH / BW9TE
Транспондер: PCF7936
р.
р.
K1
Профиль: ---
Транспондер: ---
р.
р.
K100
Профиль: ---
Транспондер: ---
р.
р.
K100RS
Профиль: ---
Транспондер: ---
р.
р.
K1100 LS
Профиль: BW7
Транспондер: нет
р.
р.
K1100 LT
Профиль: BW7
Транспондер: нет
р.
р.
K1100 RS / LT
Профиль: ---
Транспондер: ---
р.
р.
K1200
Профиль: BW9MH / BW9TE
Транспондер: PCF7936
р.
р.
K1300
Профиль: BW9MH / BW9TE
Транспондер: PCF7936
р.
р.
K1600
Профиль: BW9MH / BW9TE
Транспондер: PCF7936
р.
р.
K75 S / RT
Профиль: ---
Транспондер: ---
р.
р.
R Nine T
Профиль: BW9MH / BW9TE
Транспондер: PCF7936
р.
р.
R900RT
Профиль: BW9MH / BW9TE
Транспондер: PCF7936
р.
р.
S1000 / RR \ XR
Профиль: BW9MH / BW9TE
Транспондер: PCF7936
р.
р.
R100 R / RT / GS
Профиль: ---
Транспондер: ---
р.
р.
C600 Sport
р.
р.
Профиль: BW9MH / BW9TE
Транспондер: PCF7936
C650 GT
р.
р.
Профиль: BW9MH / BW9TE
Транспондер: PCF7936
F650
р.
р.
Профиль: BW9MH / BW9TE
Транспондер: PCF7936
F650 GS
р.
р.
Профиль: BW9MH / BW9TE
Транспондер: PCF7936
F650 ST
р.
р.
Профиль: BW9MH / BW9TE
Транспондер: PCF7936
F700 GS
р.
р.
Профиль: BW9MH / BW9TE
Транспондер: PCF7936
F800
р.
р.
Профиль: BW9MH / BW9TE
Транспондер: PCF7936
F900
р.
р.
Профиль: BW9MH / BW9TE
Транспондер: PCF7936
F900 GS
р.
р.
Профиль: BW9MH / BW9TE
Транспондер: PCF7936
G310R
р.
р.
Профиль: ZD24RDP
Транспондер: нет
G650GS
р.
р.
Профиль: BW9MH / BW9TE
Транспондер: PCF7936
HP2
р.
р.
Профиль: BW9MH / BW9TE
Транспондер: PCF7936
HP4
р.
р.
Профиль: BW9MH / BW9TE
Транспондер: PCF7936
K1
р.
р.
Профиль: ---
Транспондер: ---
K100
р.
р.
Профиль: ---
Транспондер: ---
K100RS
р.
р.
Профиль: ---
Транспондер: ---
K1100 LS
р.
р.
Профиль: BW7
Транспондер: нет
K1100 LT
р.
р.
Профиль: BW7
Транспондер: нет
K1100 RS / LT
р.
р.
Профиль: ---
Транспондер: ---
K1200
р.
р.
Профиль: BW9MH / BW9TE
Транспондер: PCF7936
K1300
р.
р.
Профиль: BW9MH / BW9TE
Транспондер: PCF7936
K1600
р.
р.
Профиль: BW9MH / BW9TE
Транспондер: PCF7936
K75 S / RT
р.
р.
Профиль: ---
Транспондер: ---
R Nine T
р.
р.
Профиль: BW9MH / BW9TE
Транспондер: PCF7936
R900RT
р.
р.
Профиль: BW9MH / BW9TE
Транспондер: PCF7936
S1000 / RR \ XR
р.
р.
Профиль: BW9MH / BW9TE
Транспондер: PCF7936
R100 R / RT / GS
р.
р.
Профиль: ---
Транспондер: ---